Назначение:
- Гидронасос двухпоточный 311.TF. предназначен для преобразования механической энергии вращения вала гидронасоса в энергию потока рабочей жидкости.
- Позволяют управлять двумя независимыми рабочими функциями стационарных и мобильных установок..
Конструкция:
- Гидронасос имеет два независимых рабочих выхода за счет двухрядной (два ряда поршней) конструкции качающего узла.
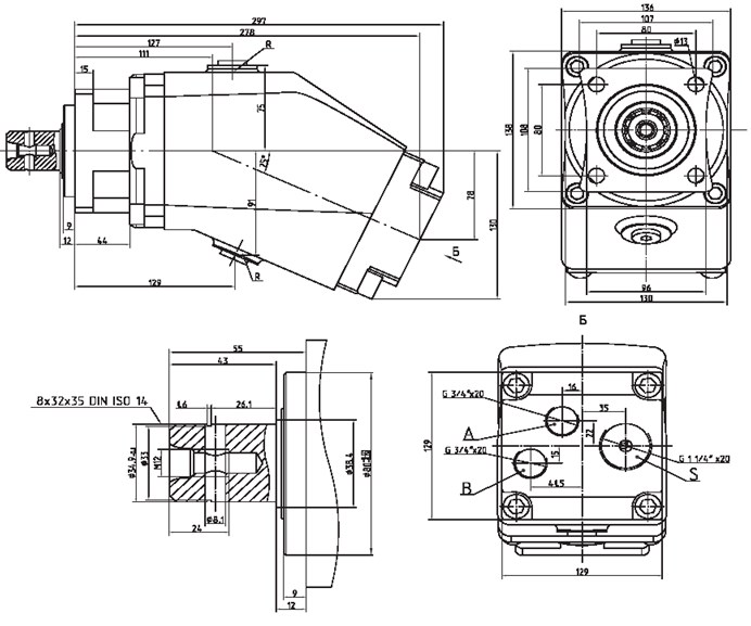
Присоединительные размеры :
- согласно DIN/ISO 14
Технические характеристики:
|
Наименование параметров
|
Значения параметров
|
|
|
311.TF.70.35
|
311.TF.53.53
|
|
|
Рабочий объем (номинальный), см3
Выход А
Выход В
|
35
75
|
52
52
|
|
Частота вращения, с-1 (об/мин):
|
6,7 (400)
20,0 (1200)
33,3 (2000)
42,5 (2550)
|
6,7 (400)
20,0 (1200)
33,3 (2000)
42,5 (2550)
|
|
Подача (номинальная) дм3/с ( л/мин)
Выход А
Выход В
|
0,67 (40)
1,3 (80)
|
1,0 (60)
1,0 (60)
|
|
Давление на выходе, МПа (кгс/см3) номинальное
Выход А
Выход В
|
20 (200)
20 (200)
|
20 (200)
20 (200)
|
|
Давление на выходе, МПа (кгс/см3) максимальное
Выход А
Выход В
|
35 (350)
35 (350)
|
35 (350)
35 (350)
|
|
Давление на входе, МПа (кгс/см3)
|
0,08 (0,8)
0,2 (2,0)
|
0,08 (0,8)
0,2 (2,0)
|
|
Номинальная мощность (потребляемая), кВт
|
44,4
|
44,4
|
|
Коэффициент подачи (выход А и В)
|
0,95
|
|
|
КПД полный
|
0,9
|
|
|
Масса (без рабочей жидкости), кг
|
26
|
|
