Назначение:
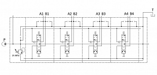
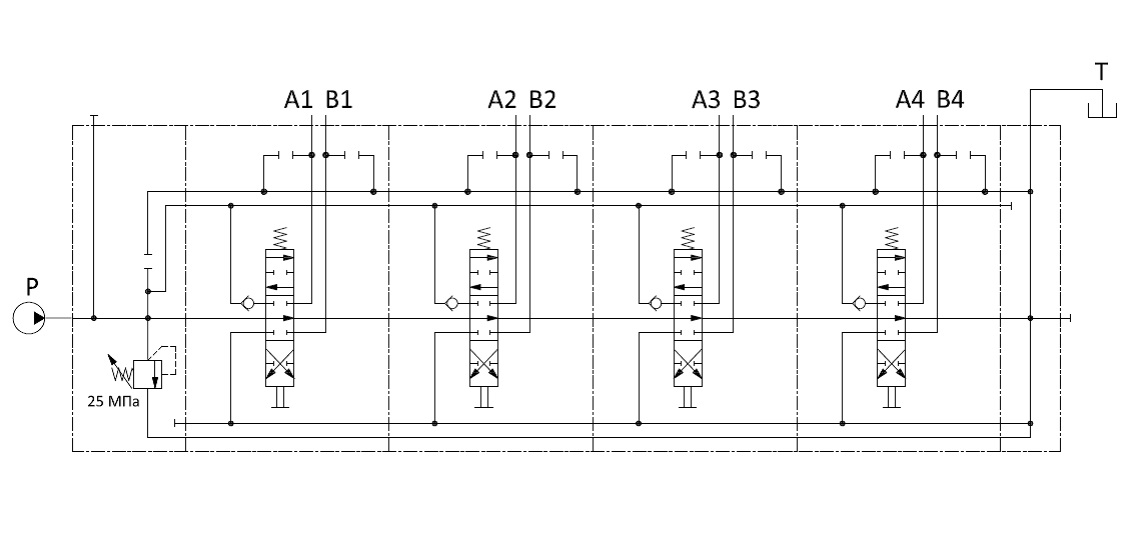
Гидрораспределитель типа 4PC-150 предназначен для пуска, остановки и реверсирования потока рабочей жидкости.
Гидрораспределитель применяется для управления рабочими операциями автомобильных кранов:
- подъем-опускание стрелы;
- телескопирование стрелы;
- вращение барабана грузовой лебедки;
- вращение платформы.
Конструктивные особенности:
- Вид управления – механическое (тросиковое или тягами).
- Присоединение рабочих каналов – резьбовое.
- Возврат золотника в нейтральное положение – пружинное.
- В напорной секции встроен предохранительный клапан с электроразгрузкой;
- Имеется возможность встраивания в рабочие секции предохранительных и обратных клапанов;
- Имеется возможность встраивания в рабочие секции реле положения «ВКЛ.-ВЫКЛ.» золотника
Технические характеристики:
|
Параметр |
Значение |
|
Номинальный расход рабочей жидкости, л/мин |
150 |
|
Максимальный расход рабочей жидкости, л/мин |
170 |
|
Максимальное рабочее давление, МПа |
30 |
|
Максимальное давление в сливной секции, МПа |
2 |
|
Максимальные утечки из рабочих каналов в сливной, см3/мин |
5 |
|
Диапазон температуры рабочей жидкости, °С |
от -20 до +80 |
|
Номинальная тонкость фильтрации, мкм |
25 |
|
Масса, кг |
30 |
Заказать товар
Оформите заявку на сайте, мы свяжемся с вами в ближайшее время и ответим на все интересующие вопросы.
