Назначение:
- Регулируемый аксиально-поршневой насос с наклонной шайбой предназначен для работы в открытых гидросхемах.
- Подача насоса пропорциональна частоте вращения вала и рабочему объему.
- Величина рабочего объема бесступенчато регулируется от нуля до максимального значения за счет изменения угла наклона шайбы.
Особенности конструкции:
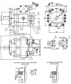
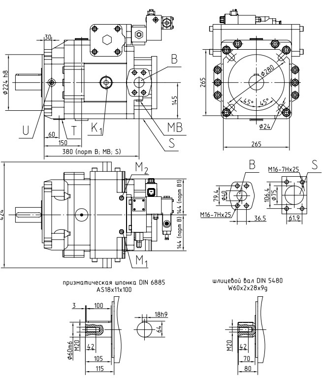
- Монтажный фланец: Ø224 мм, 4 отверстия согласно ISO 3019-2 (метрический)
Исполнение вала:
- шпоночное: AS18x11x100 DIN 6885
- шлицевое: W60x2x28x9g DIN 5480
- Насосы выполняются левого и правого вращения.
Импортозамещение:
- Насосы являются полными аналогами продукции производства Bosch Rexroth и имеют аналогичные виды регулирования.
Дополнительные опции:
- Возможна тандемная установка дополнительного аксиально-поршневого, шестеренно или радиально-поршневого насоса.
Технические характеристики:
|
Параметр |
Значение |
|
Рабочий объем, см3/об |
250 |
|
Аналог Bosch Rexroth |
A4VSO250 |
|
Максимальная частота вращения, об/мин |
1500 |
|
Максимальная подача насоса, л/мин |
375 |
|
Давление нагнетания, МПа -номинальное -максимальное |
350 400 |
|
Максимальная потребляемая мощность, кВт |
250 |
|
Масса, кг |
184 |
