Основные функции:
- транспортный режим (поддержания постоянной частоты вращения вала мотора).
- режим быстрого перемешивания (максимальная частота вращения вала мотора).
- режим разгрузки (без функции поддержания частоты вращения).
Описание работы:
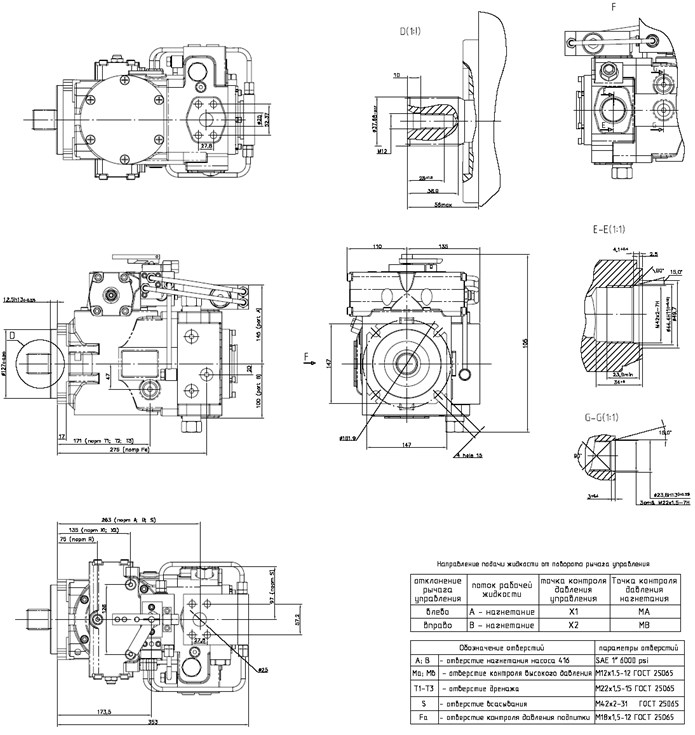
- при отклонении рычага управления влево на первое фиксированное положение, управление насосом осуществляется через клапан перепада, при этом частота вращения вала мотора будет постоянна при изменении частоты вращения вала насоса
- при отклонении рычага управления влево второе фиксированное положение, управление насосом осуществляется минуя клапан перепада, при этом частота вращения вала мотора будет максимальной и изменяться в зависимости от изменения частоты вращения вала насоса.
- при отклонении рычага управления вправо на угол от 0 до 30°, управление насосом осуществляется непосредственно пропорциональным механизмом сервоуправления – рабочий объем насоса изменяется пропорционально от угла отклонения.
Технические характеристики:
|
Параметр
|
Значение
|
|
Рабочий объем Vg, см3/об
|
0
90
|
|
Частота вращения вала n, об/мин
|
500
2000
3050
3300
|
|
Подача Q, л/мин
|
171
260,8
|
|
Давления нагнетания ∆PH, МПа
|
25
40
45
|
| Давление настройки предохранительных клапанов, ∆Pr.v., МПа |
35
|
| Давление настройки клапана отсечки Pc, МПа |
35
|
|
Давление подпитки Pn, МПа
|
2,7
2,3
|
|
Мощность потребляемая N, кВт
|
80,2
194,8
|
|
Крутящий момент T, Нм
|
404,7
643
|
|
Давление дренажа Pдр, МПа
|
0,25
0,5
|
